为追求理解,追求深度学习,追求核心素养的提升,2020学年伍阔伦名师工作室以主题式复习课为载体开展了一系列活动,也取得了一定的成果,现学年即将结束,根据工作室计划安排,2021年6月24日下午,开展本次区级展示活动。活动分为课例分享和分析点评两个环节,最后由瓯海区名师伍阔伦老师进行总结。
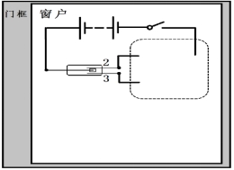
首先由瓯海区伍阔伦名师工作室学员陈舒畅老师为我们带来课例分享:追求理解的主题式复习——以《门窗防撬报警器》为例。整节课陈老师都围绕解决关键问题(如表1)来引导学生理解式复习电与磁的关系。首先陈老师以干簧管为载体,引导学生通过阅读了解干簧管的工作特点,并通过应用条形磁铁周围的磁场的分布、磁化等知识点解释干簧管的工作原理。接着陈老师引导学生在理解的基础上改造“魔术红绿灯”,以制作“门窗防撬报警器”为驱动任务,发展学生按照要求设计电路的能力(图1),要求学生按照设计图进行模型制作,化抽象为具象,加深学生对电路的理解(图2)。最后以“小明灯”为研究对象,帮助学生回顾电磁铁相关的知识与内容:通电螺线管的感应磁场方向判定、影响通电螺线管磁场大小的因素。
表1:关键问题及其解决过程与方法
关键问题
|
问题解决的过程与方法(关键词+流程)
|
核心问题:制作门窗防撬报警器
|
设计电路并进行制作与优化
|
问题1:干簧管的工作原理
|
通过材料阅读、交流理解干簧管的工作原理。
|
问题2:设计并制作门窗防撬报警器
|
基于对干簧管工作原理的理解,设计门窗防撬报警器电路图,通过小组合作,制作并安装门窗防撬报警器。
|
问题3:优化门窗防撬报警器
|
通过回顾电磁铁相关知识理解“小明灯”的工作原理,通过流程图的方式解释“小明灯”的工作原理。
|

图1:门窗防撬报警器中的电路设计图(“
”表示蜂鸣器)
紧接着,由瓯海区瞿溪华侨中学的董盈盈老师为我们带来展示课《全息投影》。整节课董老师都围绕解决关键问题(如表2)来引导学生理解式复习光的相关知识原理。首先董老师通过播放《初音未来》3D投影舞台效果,激发学生对制作3D投影舞台兴趣。接下来通过复习七下光的直线传播、平面镜成像、凸透镜成像原理,引导学生找到适合对制作3D投影舞台所要选择的仪器,并引导学生设计投影舞台。接下来让学生领取仪器制作3D投影舞台,并展示成果,完善设计。
表2:关键问题及其解决过程与方法
关键问题
|
问题解决的过程与方法(关键词+流程)
|
核心问题:设计制作一个能进行3D投影舞台。
|
设计3D投影舞台并进行制作与优化
|
问题1:如何让平放的影响竖立在舞台上?
|
通过复习光的直线传播、平面镜成像、凸透镜成像,选择仪器。
|
问题2:画出平面镜的位置
|
根据平面镜的原理结合3D投影,画出平面镜所在的位置
|
问题3:用什么材料能够让观众能同时看到像和舞台背景?
|
根据平面镜成像的原理选择材料
|
问题4:怎样摆放所成的像是立体的?
|
动手操作,并完善设计
|
在观摩了两堂精彩纷呈的研讨课后,瓯海区伍阔伦名师工作室成员对两位老师的课进行点评与讨论,完善理解式复习课的设计。最后由瓯海区名师伍阔伦老师对两位老师的课进行了微观点评述。各位学员都指出两个老师的课都属于项目化课程,两节课的亮点很多:两节课任务的确定都基于复习目标的达成;任务驱动都体现真实情境下的问题解决;任务的推进都兼顾认知的过程及层级;任务的解决通过问题链加以引领;任务的参与考虑学生的水平差异;任务的解决体现体验与思维相结合;任务的执行注重科学方法的渗透;任务的选择结合探究技能和意识的培养;任务的布置交代必要的操作步骤和注意事项;任务的效果以变式练习加以反馈。
在研讨与评价中,老师们更深地了解到:基于Steam教学与理解式复习展开教学,可以让复习课更加高效;设置中心任务与核心问题,可以让课堂更加集中;创设真实情境展开科学制作,可以让学生更加投入学习。
最后由瓯海名师伍阔伦老师给学员们做主题式发言,伍老师首先再次肯定了两位学员的创新与进步,接下来分享了郑青岳老师的《指向理解的科学教学》,并要求学员认真研读。最后伍老师解读什么是理解:理解即思考、解释、阐明、洞察、神入、迁移、应用、解决、自知。伍老师要求学员在教学设计时,要追求理解的策略:目标导学、问题解决、构建模型、思维可视、转换思想、实验实践、证据反馈、创造创新、闭环思维。
令人收获满满的教研活动在各位学员积极发言讨论中拉下帷幕。纸上得来终觉浅,绝知此事要躬行。教研,我们一直在路上。
图 | 杨芳
文 | 杨芳
审 | 王思思